• 超声波硬度计测量原理与应用全解析

    2025-09-16

    近年来,超声波硬度测量法因其更高的准确性和灵敏度,被广泛应用于各种金属材料的现场硬度检测,为工业生产和科研检测的品质控制提供了有力保障。本文将重点介绍超声波硬度计的测量原理、计算方法、适用对象以及优势与不足。 1、测量原理 超声波硬度计是基于超声波接触阻抗法来测量金属材料的硬度,其原理是:带有金刚石棱锥压头的振动杆在自由振荡频率下工作,当压头以恒定载荷压入被测材料表面时,会因接触而引起谐振频率的微...

  • 布氏硬度计的原理、应用与优缺点解析

    2025-09-08

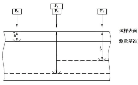
    布氏硬度计是一种精度比较高的硬度测试方法,也是所有硬度试验中压痕最大的,它可以反映出材料的综合性能,并且不受试样组织显微偏析和成分不均匀的影响。因此在工业检测中应用非常广泛,本文将为大家介绍布氏硬度计的原理、计算公式、球径及载荷比的选择、适用的材料以及优缺点。 测量原理与公式 测量原理:对直径D的碳化钨合金球施加试验力F压入试样表面,保持10~15秒后,卸除试验力,试样表面会形成一个球形凹痕,试样...

  • 全面解析韦氏硬度计:原理、分类与应用

    2025-09-05

    #module-9358{margin-top:-60;} 在铝加工行业,快速、准确工件的硬度检测尤为重要。韦氏硬度计是检测管材、板材和型材等平行面材料必备的测试仪器,凭借着操作简单、结果直观等特点,被广泛应用于生产现场和施工现场的检测。本文将为您全面介绍韦氏硬度计的工作原理、计算方法、主要分类、适用材料及其优势,并重点解析凯发网站韦氏硬度计与传统硬度计的差异与优势,帮助您更清晰地选择合适的仪器。 测...

  • 里氏硬度计测量原理与应用全解析

    2025-09-04

    在金属材料的硬度检测中,里氏硬度计具有非常广泛的应用,相较于其他类型的硬度计,有着小巧便携、操作简单和测量快速准确等特点,测量的硬度值可以在不同硬度制式间自由进行转换。本文主要讲解了里氏硬度计的原理、计算方式、试样检测的要求、冲击设备的应用、适合测试的对象以及优劣势等。 里氏硬度计LS252D 测量原理与公式 测量原理:里氏硬度是一种动态硬度试验法,其原理是将规定质量的冲击体在弹力作用下以一定速度...

  • 凯发网站里氏硬度计厂家产品选型指南

    2025-08-22

    里氏硬度计是基于动态冲击法的一种硬度测量工具,凭借其便捷高效的测试方式,被广泛应用于各类金属硬度的检测中。与传统硬度计相比,里氏硬度计不仅能够通过电子技术修正方向误差,实现任意方向测量,还无需依赖工作台直接即可进行操作,无论是大型工件、已安装部件,还是结构复杂的零件,都能轻松完成测试。同时,还能在不破坏工件的情况下实现批量检测,为产品质量分析与工艺优化提供了可靠依据。凯发网站作为国产硬度计厂家,提供有...

  • 里氏硬度计价格差异大?了解这些因素帮你快速选购!

    2025-08-19

    里氏硬度计是金属材料硬度检测必不可少的重要测量工具,相比于其他类型的硬度计,里氏硬度计具有便携、高效率等优势,非常适合在重型工件或不可拆卸部件的现场进行硬度测试,可快速准确得出结果。由于不同品牌在外观与功能上的差异,硬度计价格从几百到上万元不等。本文将带大家了解市面上主流里氏硬度计价格区间及影响价格的主要因素有哪些? 里氏硬度计按照类型,可以分为一体式和分体式。一体式里氏硬度计是将冲击装置和主机结...

  • 国内外里氏硬度计品牌厂家及关键选购要素解析!

    2025-08-15

    里氏硬度计也叫里氏硬度测试仪,是一种广泛用于各种金属材料硬度测量的仪器,非常适合测试各种大型工件、汽车底盘、模具型腔、机床导轨、轴承等材料。硬度计凭借着操作简便、测量快速、具有多种硬度制式可切换等特点,成为了工业制造、质量控制、设备维护等领域必备的检测仪器。本文将介绍几家国内外知名的里氏硬度计品牌厂家,并重点分析挑选时需要考虑的因素。...

  • 洛氏硬度计使用指南:原理、计算方式与适用范围

    2025-10-09

    洛氏硬度试验是最常用的材料硬度检测法之一,在制造业的质量控制中应用非常广泛。它是采用测量压入深度的方法,测量的硬度值可以通过指示直接读出,根据被测材料硬度的大小不同,可以选择不同的洛氏硬度计压头和试验力。 本文将重点阐述洛氏硬度计的原理,计算方式,压头类型与试验力选择,适用对象,以及优缺点,帮助大家根据测试材料选择合适的硬度计。 测量的原理 将特定尺寸、形状和材料的压头与试样表面接触并稳定施加初试...

  • 塑料瓶厚度怎么测?超声波测厚仪告诉你答案

    2025-06-27

    在包装行业中,塑料瓶的使用越来越广泛,尤其在饮料、化妆品、医药和日化品等领域,塑料瓶的包装质量直接关系到产品的密封性、安全性与用户体验。而在众多包装质量控制项目中,塑料瓶厚度测量是一项十分重要的检测指标。那么,塑料瓶的壁厚该如何准确测量?本文将为您详细介绍一种高效、无损的测量方法——超声波测厚仪。 超声波测厚仪测试塑料瓶 为什么要测量塑料瓶的厚度? 塑料瓶作为一种典型的吹塑成型产品,其壁厚分布是...

  • 超声波测厚仪多少钱?不同类型价格一览

    2025-06-27

    在选择超声波测厚仪时,很多用户最关心的问题之一就是“超声波测厚仪价格一般多少钱?”其实,市面上的超声波测厚仪价格差异较大,从几百元到上万元不等,关键在于你需要哪种类型、使用在哪些场景、对精度和功能的要求如何。本文将围绕价格区间、应用需求和选型建议,为你全面解析如何选购一款性价比高的超声波测厚仪。 凯发网站多层超声波测厚仪 超声波测厚仪价格区间分类 根据功能配置和适用范围,超声波测厚仪大致可以分为以下...

  • 凯发网站LS216超声波测厚仪:多层厚度测量的理想之选

    2025-06-27

    在制造、包装、复合材料、涂层控制等多个行业中,多层结构材料被广泛应用。这些材料往往由不同功能层组成,例如塑料膜+金属箔,或涂层+底漆+基材等结构,每一层厚度都直接影响产品性能、使用寿命和生产成本。因此,如何对多层材料进行无损测量,准确掌握各层厚度,是实现精细化质量控制的关键。传统检测方式难以胜任这一任务,而超声波测厚仪的应用为多层厚度测量提供了全新解决方案。本文将以凯发网站自主研发的LS216高精...

  • 热门超声波测厚仪品牌介绍

    2025-06-26

    超声波测厚仪是一种利用超声波在材料中传播时间来测量厚度的无损检测工具。随着技术的不断演进,市面上出现了越来越多不同功能和配置的设备。本文将重点盘点目前市场上主流的超声波测厚仪品牌,并对典型产品进行对比分析。 超声波测厚仪市场品牌概况 目前,超声波测厚仪市场主要由进口品牌和国产品牌构成。进口品牌凭借早期的技术积累和国际声誉,长期占据高端市场;而国产品牌近年来在精度、功能和性价比方面不断突破,已经在中...

  • 新手如何选购高精度超声波测厚仪?看这篇就够了

    2025-06-26

    如果你需要使用超声波测厚仪无损测量金属、塑料、玻璃等材料的厚度,面对市面上五花八门的型号和参数,是否感到一头雾水?如何选到既准确又好用、性价比高又不踩坑的高精度超声波测厚仪,是很多新手用户共同的烦恼。这篇文章将从常见问题、关键参数解读,到推荐型号一步步带你选对仪器,让你少走弯路,买得放心! LS216高精度超声波测厚仪 一、新手在选购高精度超声波测厚仪时最常遇到的问题 市面上型号太多,不知道...

  • 高精度超声波测厚仪实测油漆厚度,选凯发网站LS216准没错

    2025-06-25

    在涂装、喷漆等表面处理行业中,控制油漆层的厚度至关重要。厚度不够,防腐防锈性能下降;太厚,又会浪费成本甚至引发质量问题。如何高效、精准且无损地测量油漆厚度?超声波测厚仪成为越来越多企业的首选工具。本文将介绍超声波测厚仪在油漆厚度检测中的应用原理,并推荐一款实测效果突出的高精度设备——凯发网站LS216超声波测厚仪。 LS216超声波测厚仪实测油漆厚度案例展示及操作方法 LS216超声波测厚仪测试塑料...

上一页 12345 下一页 共5页 66条记录